



EES-301 Ultrasonic Thermal Energy (BTU) Meter
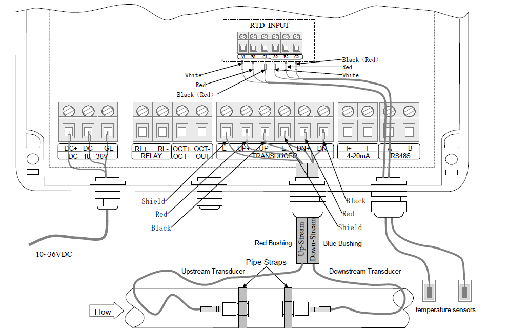
EES-301 Ultrasonic Flowmeter with Clamp on transducer and clamp on temperature sensors for thermal (btu meter), Pipe Size Range:1”~48” (25mm ~ 1200mm). Operating temperature: 32°F ~ +140°F (0°C~+60°C). Transducer Cable Length :Standard 30ft (9m)
This meter is used to track water or chilled water flow, coupled with temperature differential on a primary chilled water or heating water loop. The base model comes with strap on, non-evasive sensors, it can only be installed onto metallic piping with excellent thermal conductivity.
Emergent Metering can provide an insertion style temperature sensor upon request for PVC piping installations. This will require a temperature well to be installed.
Typical pipe material applications:
Copper (Varying thicknesses to be set by user)
PVC (Varying schedules & requires insertion temperature sensors)
Carbon Steel (Varying schedules)
Rigid (Must be rust free on the inside of pipe)
Since the meter is designed for low voltage (10-36VDC), we can provide a clear ABS enclosure that will house this meter, a power supply (110 VAC / 24VDC, and a PANPOWER GEN4 Bridge for data connectivity to the PANPOWER Cloud or integration to onsite SCADA through 4-20 mA, energy / flow pulsed output or MODBUS RS-485.
